2019年曲靖市教育系统招聘教师生物学考试大纲(初中)

2019-06-22来源:曲靖市教育体育局

生 物学

2019年曲靖市教育系统公开招聘教师考试

专业知识  教法技能  大纲

生 物学(初中教育岗位)

曲 靖 市 教 育 体 育 局

一、考试性质

曲靖市教育系统公开招聘教师考试属选拔性考试。教育行政部门根据教育事业改革和发展的需要,考查、考核考生从事教师工作的专业知识、教育教学能力,按招考录用计划择优录用。因此,考试具有较高的信度、效度、区分度和一定的难度。

二、考试形式与试卷结构

考试形式:闭卷,笔试。“专业知识”满分100分,考试用时100分钟;“教法技能”满分50分,考试用时50分钟。二者合卷满分共150分,考试限定用时150分钟。

试题类型:“专业知识”的题型为单项选择题、填空题、简答题; “教法技能”的题型为填空题、简答题、简述题、教学设计题。

三、考试内容

专业知识

1.生物学科学工作方法及其常见生物技术

1.1 正确使用显微镜等生物学实验中常用的工具和仪器,具备一定的实验操作能力。生物科学探究的一般方法。

1.2 发酵技术在食品制作中的作用。食品的腐败原因。运用食品保鲜的一般方法。

1.3 克隆技术的应用。转基因技术的应用。关注生物技术的发展对人类未来的影响。

2.植物学

2.1 植物细胞。植物细胞的结构、功能和分裂方式。细胞的多样性。植物细胞的结构与功能。细胞周期。植物组织。植物细胞的生长分化和组织形成。

2.2 种子的结构。种子萌发的条件和过程。芽的发育和根的生长过程。根、茎、叶的基本构造与功能。绿色植物的光合作用。绿色植物光合作用原理在生产上的应用。描述绿色植物的呼吸作用。

2.3 种子和果实的发育过程。花的形态构造及发育。雄蕊的发育及构造。雌蕊的发育及构造。开花与传粉。受精。种子和果实。

2.4 植物的命名。生物界划分。植物界的类群及分类。植物界的基本类群的进化。被子植物分类基础。分类学及其发展。尝试根据一定的特征对生物进行分类。

3.动物学

3.1 原生动物的原始性特点。几种重要代表动物的形态、结构与机体特点。

3.2 环节动物门。环毛蚓主要特征。

3.3 昆虫纲。昆虫纲的生物学特征。

3.4 鱼纲。鱼类的主要特征,对水生生活的适应性。

3.5 鸟纲主要特征及代表动物。鸟类对飞翔生活的适应。

3.6 动物多种多样的运动形式。说明动物的运动依赖于一定的结构。脊椎动物的肌肉、骨骼、关节的基本结构。

3.7 动物的先天性行为和学习行为。说出动物的社会行为。观察周围环境中动物的行为。探究动物的行为。

4.生态学

4.1 非生物因素是生物生存的环境条件。生物和生物之间有密切的联系。生态系统的组成。不同的生态系统。生态系统中的食物链和食物网。某些有害物质会通过食物链不断积累。

4.2 生态系统的自我调节能力是有限的。生物圈是最大的生态系统。人对生物圈的影响。保护生物圈的意识。保护当地生态环境的行动计划。

5.动物及人体生理学

5.1 人体需要的主要营养物质。人体消化系统的组成。食物的消化和营养物质的吸收过程。食品安全。制定合理的膳食计划。

5.2 人体血液循环系统的组成。血液循环。人体呼吸系统的组成。人体肺部和组织细胞处的气体交换过程。能量来自细胞中有机物的氧化分解。

5.3 人体泌尿系统的组成。尿液的形成和排出过程。

5.4 人体神经系统的组成。人体神经调节的基本方式。人体通过眼、耳等感觉器官获取信息。人体的激素参与生命活动调节。

5.5 男性生殖系统的结构和功能。女性生殖系统的结构和功能。受精过程。胚胎发育过程。青春期的发育特点。养成青春期的卫生保健习惯。

5.6 传染病的病因、传播途径和预防措施。常见的寄生虫病、细菌性传染病(包括淋病)、病毒性传染病(包括艾滋病)。

5.7 描述人体的兔疫功能。区别人体的特异性兔疫和非特异性兔疫。说明计划免疫的意义。心血管疾病的危害。癌症的危害。心血管疾病及其防治和生活习惯的关系。酗酒、吸烟和吸毒的危害。拒绝毒品。

6.遗传学

6.1 DNA是主要的遗传物质。染色体、DNA和基因的关系。生物的性状是由基因控制的。人的性别决定。优生优育。生物的变异。遗传在育种上的应用。

6.2 生命的起源问题。进化的例证。进化规律与进化谱系。人类起源和发展。

教法技能(生物教学)

1.《义务教育生物课程标准(2011年版)》(以下简称《课标》)中关于课程性质、课程理念、

课程设计思路。

2.《课标》中关于课程目标的论述与认识。

3.实施建议的论述

教学建议。评价建议。课程资源的开发与利用。关于学习目标要求层次的说明。

4.教学技能训练与评价

导入技能、讲授技能、提问技能、板书技能、演示技能、强化技能、结束技能和沟通技能的概念、目的、类型及应用原则与要点。

5.说课的技能

5.1 说需要。能从分析一节课的教学需要出发,综合考虑学生的成长需要,生物学科的知识结构(含基本事实、概念、原理、规律等方面)的需要。

5.2 说目标。根据教学需要设计一节课的教学目标,依据《课标》的总目标和具体目标的要求,结合本节课具体教学内容教学需要,设计切实可行的“三维”教学目标。

5.3 说重点。根据一节课的教学目标,以及学生学习的困难,正确的设定本节课的教学重点和难点。

5.4 说方法。根据教学的重点和难点,综合考虑学校现有的物质条件,学生认知规律,合理的设计重复重点内容的方法手段,以突出重点内容,使学生能用不同的感官,综合体验感悟相关知识的生物学内涵;依托学生产生认知障碍的原因,如陌生、抽象和复杂等,设计突破难点的教学方法,采用联系以往知识基础和生活实践等手段,使抽象的道理形象化、复杂的概念条理化,并动员学生以“小组工作”的方式,群策群力共同克服认知障碍。

5.5 说评价。根据一节课的教学目标,检验学生学习的效果;设计不同类型的评价手段和练习巩固的方式。

要求表述语言流畅、思路清晰和逻辑性强。

能力要求

1.准确把握和执行国家政策、法令和教育教学指导意见

能及时学习党和政府的政策、策略,领会国家法令、法规中的生物学内涵,结合教学内容和要求组织学生学习与宣传。学习领会每年总理的《政府工作报告》中,关于基础教育工作的总结与要求,在自己的教育教学工作中,自觉践行国家的要求,民族的希望。能领会《课标》的内涵,并能全面落实其中的各项指导意见。

2.正确理解和驾驭教材的能力

正确理解教材内容的科学性与学科性,理解各主题内部章节地位与作用,能合理的解释和制定课时计划中教学三维目标,并能参照课程标准设计要求层次。

3.科学分析和研究学生的情况

理解学生的认知思维特点;学生成长中有关生物学的困惑和学习需求;不同学生的学习风格及其测试方法和学习指导建议。根据不同班级的学习习惯、班级风气、知识基础等因素调整课堂教学方法和手段。善于与学生沟通,有与其做朋友的能力。

4.善于发现社会关注的热点中的生物学问题

不断获取新信息,跟踪社会热点问题中的生物学知识,与教学的重点突出、难点分散等结合,形成独立的教学风格。善于发现当地民俗、民风中与生物学相关的内容,形成特定教学体系。

5.熟练掌握运用各种教学资源

理解各种常规教学资源的作用、特点和使用方法;能根据课程目标的需要、学生的学习规律合理地选择和使用这些教学资源,并设计课堂教学活动,完成课程总目标的要求。

6.科学合理地给予学生评价和强化学生的全面发展

本着“以人为本”,面向全体学生、全面提高学生素质教育理念,会从多元智能评价的角度给予学生科学正确的评价;能熟练地通过各种强化手段,积极鼓励学生全面发展。

四、考试要求

专业知识

1.对所列知识要理解确切含义及与其他知识的联系,能够进行叙述和解释,并能在实际问题的分析、综合、推理和判断等过程中运用。

2.关注初中学业水平考试试题变化,能分析初中学业水平考试试题所考核的知识点,及其考核的能力范围;做到会解题、会分析、会讲解。

3.关注社会中有关生物学热点问题或热点问题中的生物学因素,能及时与课标要求相结合解释这些问题;做到教学中能结合当地实际,讲解生物学知识概念。

教法技能(生物教学)

1.认真研读《义务教育生物课程标准(2011年版)》,对相应的部分有自己的认识与见解。

2.了解课程改革对于教学技能的要求,了解这些技能的应用原则与要点。

五、题型示例

专业知识

一、单项选择题(本大题共25个小题,每小题2分,共50分)

1. 科学探究的一般过程包括六个环节,下列不属于“得出结论”这一环节的基本要求是

A. 描述现象                        B. 尝试评价证据、数据的可靠性

C. 分析和判断证据、数据            D. 得出结论

2. 下表为探究食品腐败原因和细菌生存条件的实验设计,甲、乙、丙为三个相同的已消毒的锥形瓶。请据表分析该实验设计中包含了多少组对照试验?变量分别是什么?

A. 二组,温度、空气              B. 二组,温度、消毒棉球

C. 二组,温度、细菌              D. 三组,温度、空气、细菌

3. 如图1所示是显微镜的4个镜头及观察到清晰物像时物镜与玻片间的距离,其中①、②有螺纹,③、④无螺纹。则为使视野中观察到的细胞数目最多,最恰当的组合为

A. ①④⑥            B.①④⑤            C. ②③⑤          D.①③⑤

4. 下列有关动、植物体结构层次的说法正确的是

A. 动物体的四大组织分别为肌肉组织、神经组织、保护组织、结缔组织

B. 人体的皮肤具有保护功能因此属于保护组织

C. 动物体的结构层次与植物体的结构层次相比,所少的是系统

D. “藕断丝连”的丝属于输导组织

5. 生物体的形态结构总是与其生活环境相适应。下列有关叙述中错误的是

A. 蝗虫有外骨骼,不易被天敌发现

B. 鲫鱼身体呈纺锤型,用鳃呼吸,适于水中生活

C. 家鸽前肢演变为翼,适于空中飞翔

D. 野兔神经系统发达,能迅速躲避天敌

6. 下列不属于生态系统的是

A. 一个鱼塘中的所有鱼及其生活的环境  B. 滇池    C. 昆明西山    D. 荒漠

7. 下列有关大豆种子的叙述,正确的是

A. 萌发时,首先突破种皮的是胚根

B. 具有胚芽、胚轴、胚根、胚乳、子叶等结构

C. 营养物质主要贮存在胚乳中

D. 胚轴将会发育为幼苗的茎

8. 关于果实、种子中有关结构的来源,下列叙述中正确的是

A. 花生外壳是由珠被发育来的

B. 大豆种子的种皮是由子房壁发育来的

C. 菜豆种子是由子房发育来的

D. 桃果实内的桃仁是由胚珠发育来的

9. 图2中曲线表示一段时间内某植物叶片吸收二氧化碳与光照强度的关系。以下分析正确

的是

A.N点表示该植物既不进行光合作用也不进行呼吸作用

B.MP段表示该植物的光合作用随光照强度的增强而增强

C.MN段表示该植物只进行呼吸作用

D.NP段表示该植物只进行光合作用

10. 下列消化液中,对淀粉、蛋白质、脂肪都有消化作用的是

A. 肠液和胰液    B. 唾液和胃液  C. 胆汁和胰液    D. 胃液和肠液

11. 肺循环的循环途径为

A. 左心室    肺静脉    肺部毛细血管    肺动脉    右心房

B. 左心房    肺动脉    肺部毛细血管    肺静脉    右心室

C. 左心室    肺动脉    肺部毛细血管    肺静脉    右心房

D. 右心室    肺动脉    肺部毛细血管    肺静脉    左心房

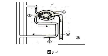
12. 图3为尿的形成过程示意图(序号表示结构),以下说法正确的是

A.①为肾单位            B.②通透性增加可导致血尿

C.③内流动的是血液              D.④为输尿管

13. 司机对信号灯的关注是行车安全的重要环节。下列有关视觉形成过程的叙述正确的是

A.如果信号灯过暗,司机眼睛的瞳孔将变小

B.信号灯光线进入眼球的顺序是角膜→瞳孔→晶状体→玻璃体→视网膜

C.要看清远处的交通标志需调节睫状体的曲度

D.形成信号图像和视觉的部位分别是脉络膜和视觉中枢

14. 下列关于哺乳动物运动系统的叙述错误的是

A.运动系统由骨、关节和肌肉组成 

B.一个动作的完成是多块肌肉协调合作的结果

C. 骨骼肌一般包括肌腱和肌腹两部分

D. 一块骨骼肌的两端肌腱是附着在同一块骨上

15. 请将下述家蚕各个阶段的特点按生殖发育过程进行排序,正确的是

①幼虫      ②蚕吐丝作茧      ③化蛹      ④受精卵      ⑤交尾      ⑥羽化

A.①③②④⑤⑥                        B. ④①③②⑤⑥ 

C. ④①②③⑥⑤                          D .①②③⑥⑤④

16. 下列对人类生殖和发育的叙述,正确的是

A. 受精卵形成和胚胎发育的场所分别是卵巢和子宫

B. 胎儿通过胎盘与母体完成物质交换

C. 身高和体重迅速增长,是青春期发育最突出的特征

D. 怀孕又称着床,是指受精卵植入子宫内膜的过程

17. 水蜜桃味甜,毛桃味酸,现将水蜜桃(接穗)接到毛桃(砧木)上,成活后结出的成熟果实,其味是

A. 酸味的        B. 甜味的      C. 一半酸味,一半甜味      D. 酸甜适中

18.  下列关于变异的叙述中,正确的是

A. 变异对生物的生存一般有利            B. 凡是变异都可遗传

C. 生物性状的变异是普遍存在的            D. 变异都是由于遗传物质的改变引起的

19. 下列关于细菌、病毒、真菌特点的描述中,正确的是

A. 芽孢是细菌在不良环境条件下产生的生殖细胞

B. 病毒的个体较小,只有一个细胞构成,要用显微镜才能观察到

C. 细菌中的酵母菌能使馒头或面包膨大和松软

D. 细菌和真菌中的绝大多数不能合成有机物,只能利用现成的有机物作为营养

20. 下列动物中,背腹扁平,身体呈两侧对称,有口无肛门的是

A. 涡虫          B. 蛔虫            C. 水螅          D. 蚯蚓

21. 下列植物中,对有毒气体非常敏感,经常用作监测空气污染程度的指示植物是

A. 蕨类植物      B. 裸子植物      C. 藻类植物      D. 苔藓植物

22. 当前我国中东呼吸综合征(MERS)患者人数没有较大增加,可以采用的最宜预防措施为

A. 注射疫苗      B. 控制传染源      C. 切断传播途径      D. 保护易感人群

23. 近期“东方之星”的沉没给人们带来巨大悲伤,若一溺水者被救时呼吸停止、有微弱心跳,对其急救时,以下做法中不恰当的是

A. 一手托住后脑,一手托起下颌,口对口用力吹气

B. 每分钟吹气15~20次

C. 使溺水者仰卧,头后仰,衣领解开

D. 清除口鼻中的污物、异物

24. 下列关于人类对细菌、真菌的利用,对应有误的是

A. 霉菌—制作酱油                        B. 乳酸菌—制作泡菜

C. 酵母菌—制作白醋                      D. 甲烷菌—生产沼气

25. 继克隆羊多莉诞生之后,各种各样的克隆动物相继问世。下列有关克隆技术的说法错误的是

A. 说明了遗传信息在细胞核中              B. 克隆动物与供核个体的性状最相似

C. 说明了染色体由DNA和蛋白质组成      D. 将来可克隆人体器官用于器官移植

二、非选择题(本大题共5个小题,每小题10分,共50分)

26. 图4是某学校生物小组对农田生态系统调查后绘制的简图,据图回答问题(1)~(5)。

(1)食草昆虫、青蛙、蜘蛛、鼠、蛇是此生态系统中的______者。蜘蛛在该生态系统中位于第______营养级。

(2)图4中有______条食物链,其中最长的一条是                (用文字和箭头表示)。

(3)由于市面上兴起了吃青蛙热,使青蛙的数量大量减少,在短时间内,食草昆虫的数量将______。

(4)如果灌溉农田的水中含有某些难分解的有毒物质,那么体内有毒物质积累最多的生物是______。

(5)与森林生态系统相比,该生态系统的自动调节能力较弱,原因是                 

27. 图5为叶片叶肉细胞内进行的某些生理活动示意图,其中①、②为相关气体,A为细胞内相关结构。请分析回答

(1)叶肉细胞的叶绿体中进行的生理活动是______,②代表的气体为______,[A]代表的细胞结构为______。此处进行的生理活动实质是______,释放能量。

(2)如果在相对封闭的温室中,某植物的叶片受到阳光的照射而生长,一昼夜后测定植物体内有机物积累量。结果如图6所示,其中正确的是______。

(3)某生物小组的同学用植物的叶片进行了相关的探究实验。

① 图7甲所示的是绿叶在光下制造有机物实验中的一个装置,该装置在本实验中的作用是                                                                                 

② 图7乙实验装置要探究的问题是                                                                               

(4)选取某植物体上甲、乙、丙、丁四片大小、重量相同的叶片,作如下表所示的处理(凡士林有透光不透气的作用);然后将植物置于光下通风处,几小时后,叶片内有机物含量从多到少的顺序是             

28. 分析下面有关神经系统的资料,回答问题(1)~(3)。

① 刚出生的婴儿,由于大脑没有发育完全,常发生尿床现象;

② 胸部脊髓完全横断的病人 ,出现尿失禁的现象;

③ 脊髓腰骶段损伤的病人,常出现膀胱有尿不能排出的现象。

(1)新生儿的排尿反射属于______反射,反射的神经中枢位于______内。

(2)胸部脊髓完全横断的病人出现尿失禁的原因是脊髓与        的联系被切断,致    使低级中枢失去了高级中枢的控制。

(3) 脊髓腰骶段损伤的病人膀胱有尿不能排出的原因是          被破坏,        结构不完整,反射不能进行。

29. 有无耳垂是人的一对相对性状,某生物兴趣小组的同学,对部分家庭的耳垂遗传情况进行调查,下表是他们的调查结果,请分析数据,并结合所学知识回答问题(1)~(4)。

(1)表格中所涉及的有耳垂与无耳垂,在遗传学上称为          ,根据表中第____组的调查结果可以推断          是隐性性状。

(2)如果控制显性性状的基因用A表示,控制隐性性状的基因用a表示,在第Ⅲ组家庭中,母亲的基因组成是_____。

(3)父母都有耳垂,但却出现了无耳垂的子女,此现象在遗传学上称为          ,父母都有耳垂,女儿也有耳垂,此现象称为       

(4)在第Ⅰ组中的一对夫妇,第1个孩子无耳垂,该夫妇再生一个孩子无耳垂的几率是             

30. 图8是吉林大学农学院奶牛繁育基地成功培育携带外源赖氨酸基因的克隆奶牛的过程示意图,请据图回答(1)~(5)。

(1)a表示______过程,经过b过程形成的胎儿在______孕育成长,直至出生。

(2)雌牛B是黑色、雄牛A是黄色、奶牛C是黑白相间,雌牛D是黄白相间,奶牛E是黑色的,那么奶牛F的毛色一定是        ,原因是                         

(3)若控制赖氨酸合成的基因被成功转入并在奶牛F中得到表达,说明               

(4)若控制赖氨酸合成的基因被成功转入并在奶牛F中得到表达,这种变异能不能遗传给后代?______,这属于______变异。

(5)谈谈转基因技术在人类生产生活中的应用。

                                                                                 

教法技能(生物教学)

一、简述题(本大题共2个小题,每小题10分,共20分)

1. 简述2011版课程标准中关于“能力”与“情感态度价值观”的具体目标。

2. 课程标准的实施建议倡导“引导并组织学生进行探究性学习”,简述教师在引导和组织学生进行上述的探究性学习时应注意的事项。

二、简答题(本大题共2个小题,共30分)

3. (10分)什么是板书?板书的设计目的是什么?

4. (20分)根据板书的“应用原则与要点”,结合自己熟悉的内容,设计一节课的板书。

参考书目:

1.《义务教育生物课程标准(2011年版)》,中华人民共和国教育部制订,北京师范大学出版社出版。

2.义务教育课程标准实验教科书·生物(七 ~ 八年级)。

3. 现行普通高中生物教科书。

4.高等师范院校生物学专业(专科)相关教材。

猜你喜欢
2025年中共曲靖市马龙区委政法委员会招聘公益性岗位公告2025年宣威市交通运输局招聘编外行政执法普通辅助工作人员公告2025年曲靖市会泽文渊中学教师招聘公告2025年曲靖市城市综合管理局招聘劳务派遣人员公告2025年曲靖市陆良县机关事务管理局招聘公益性岗位工作人员公告2025年曲靖市陆良县交通运输局招聘公益性岗位工作人员公告2025年中共陆良县委政法委员会公益性岗位工作人员招聘公告2025年10月云南省曲靖应用技术学校招聘劳务派遣人员公告2025年陆良县卫生健康局所属事业单位招聘研究生考察、体检结果及拟录公告2025年宣威市西泽乡、双河乡卫生院招聘劳务派遣人员公告2025年曲靖市急需紧缺人才目录(青年人才专项)2025年曲靖市科技馆编外聘用(劳务派遣)人员招聘公告
最新培训课程
2025年云南省特岗教师面试课程2026年仕途无忧国省考、事业单位全程系列考前培训课程2026云南农信社秋招笔试精讲课2026云南定向选调笔试精讲课2026云南烟草笔试精讲课2026南方电网秋招笔试精讲课2026银行秋招笔试精讲课2026年云南省农信社考前笔试课程2025年昆明市教体局教师招聘面试课程2026年金领辉煌农信社笔面定制班2026年金领辉煌银行笔面定制班2025云南黄金集团面试专项班2025国家能源集团面试专项班考前培训简章2025年西部计划面试专项特训营-结构化/无领导2025仕途无忧四川省公务员补录面试定制营2026年仕途无忧国考全程系列考前培训简章2026年仕途无忧国考暑期特训营简章2025云南特岗教师学科精讲课,试看满意购买,配套纸质资料免费包邮!2025云南特岗系统精讲课程!配套纸质资料包邮到家上新特惠!只需199!云南2025三支一扶系统精讲网课